خانه> محصولات> وکیوم خشک کن جدید> کلسینر کمربند> Gwd-0.6- 12 کلسینر کمربند دمای بالا
Gwd-0.6- 12 کلسینر کمربند دمای بالا
Gwd-0.6- 12 کلسینر کمربند دمای بالا
Gwd-0.6- 12 کلسینر کمربند دمای بالا
Gwd-0.6- 12 کلسینر کمربند دمای بالا
Gwd-0.6- 12 کلسینر کمربند دمای بالا
Gwd-0.6- 12 کلسینر کمربند دمای بالا
Gwd-0.6- 12 کلسینر کمربند دمای بالا

Gwd-0.6- 12 کلسینر کمربند دمای بالا

Get Latest Price
نوع پرداخت:L/C,T/T
اینکوترم:FOB,EXW
حداقل سفارش:1 Piece/Pieces
حمل و نقل:Ocean,Land,Express
بندر:shanghai
ویژگی های محصول

مکان مبداءچین

وضعیتجدید

بازرسی کارخانه ویدیوییارائه شده

گزارش تست مکانیکیارائه شده

نوع بازاریابیمحصول معمولی

Packaging & Delivery
فروش واحد : Piece/Pieces
نوع بسته بندی : بسته استاندارد

The file is encrypted. Please fill in the following information to continue accessing it

توضیحات محصول
خلاصه
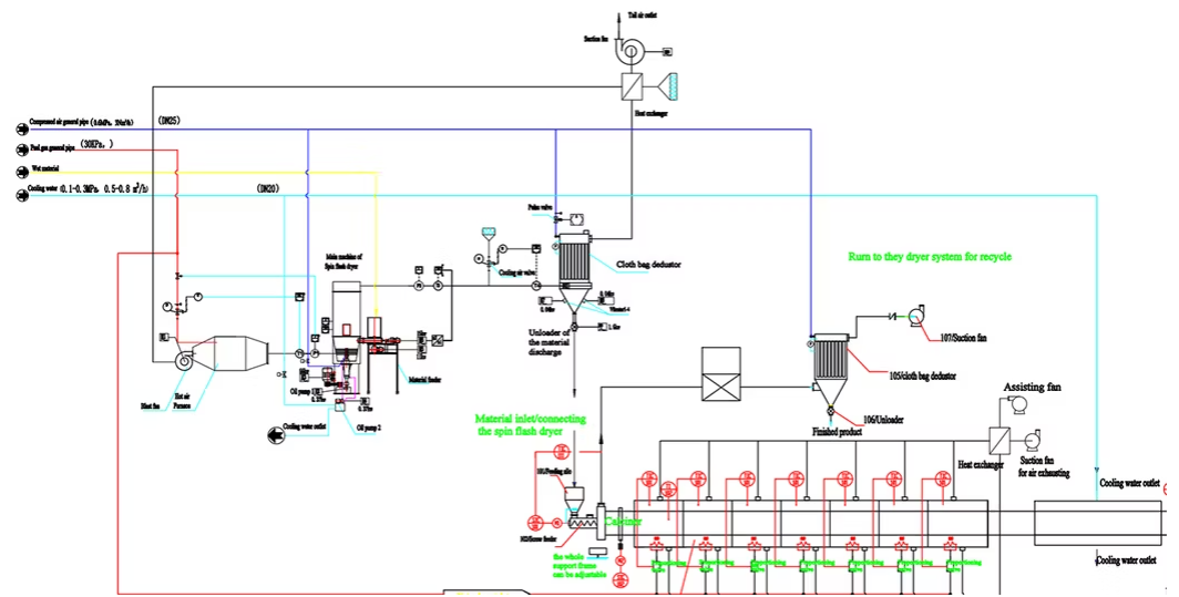
ترکیب تجهیزات: تجهیزات شامل یک سیستم انتقال، محفظه خشک کن، لایه عایق، سیستم گرمایش، سیستم گردش و اگزوز و سیستم کنترل است. محفظه خشک کن شامل چندین واحد مستقل است که هر کدام دارای یک فن گردشی، دستگاه گرمایشی و سیستم های ورودی و خروجی هوای تازه یا مشترک هستند.
اصل کار: مواد روی یک تسمه نقاله به طور مداوم در حال کار قرار می گیرند. با پیشروی تسمه، وارد مناطق دمایی مختلف می‌شود و مراحل گرمایش، کنترل دما و خنک‌سازی را طی می‌کند تا به فرآیند برشته‌سازی دست یابد و در نهایت از انتهای تخلیه خارج شود.
GWD1
کلسینر تسمه یک تجهیزات برشته کردن مداوم با دمای بالا است که به طور گسترده در صنایع شیمیایی، کاتالیزور، انرژی های جدید، مواد جدید و سایر صنایع استفاده می شود.

تجهیزات از واحدهای جداگانه تشکیل شده است.

هر واحد دارای فن گردشی، دستگاه گرمایش، سیستم ورودی هوای تازه مجزا یا عمومی و سیستم خروجی هوا است.

بنابراین، پارامترهای عملیاتی مانند تعداد محیط خشک کن، دما، رطوبت و مقدار گردش هوای خروجی را می توان به طور مستقل کنترل کرد تا از قابلیت اطمینان کار تسمه کلسینر و بهینه سازی شرایط عملیاتی اطمینان حاصل شود.

شرایط کار خوب است زیرا کلسینه کردن مواد در داخل محفظه تجهیزات انجام می شود.
مزایای محصول
هم پیش خشک کن و هم کلسینر از فناوری جریان نفوذ برای بهبود راندمان تولید و کاهش مصرف انرژی استفاده می کنند.
استفاده از یک دستگاه تراز تسمه پیشرو در جهان برای افزایش پایداری کلسینر و افزایش عمر تسمه.
منطقه تماس بزرگ با هوا، در نتیجه ضریب انتقال حرارت بالا.
گرمایش و خشک کردن یکنواخت.
مصرف انرژی در مقایسه با تسمه خشک کن های سنتی تقریباً 30 درصد کاهش می یابد.

ساختار

کلسینر شامل سیستم انتقال، محفظه خشک کن، عایق، سیستم گرمایش، سیستم گردش و خروجی هوا و سیستم کنترل است.
سیستم انتقال : سیستم انتقال توسط کاهنده با سرعت تبدیل فرکانس هدایت می شود و انتقال تسمه را به حرکت در می آورد.
در همان زمان، دستگاه تصحیح انحراف و دستگاه کشش را در انتهای تغذیه حمایت کنید تا از حذف انحراف توری جلوگیری شود. در همان زمان، دستگاه تصحیح انحراف و یک دستگاه کشش در انتهای تغذیه برای جلوگیری از انحراف تسمه مش ارائه می شود.
محفظه : محفظه کلسینر از چندین واحد مستقل تشکیل شده است که به واحد گرمایش، کلسینه و خنک کننده تقسیم می شود. هر واحد مجهز به فن گردشی مستقل خود است. ترکیب واحد را می توان بر اساس نیاز آنها تقسیم کرد.
مواد برای دیواره داخلی کلسینر می تواند SUS321 یا SUS310S باشد، روکش سطح کلسینر می تواند ورق گالوانیزه آلومینیومی از ورق فولادی ضد زنگ باشد، عایق در وسط آن آلومینیوم سیلیس است.
سیستم گرمایش : گرمایش واحدهای کلسینر می تواند از کوره گازی یا بخاری برقی استفاده شود. قدرت گرمایش قابل تنظیم است. دما توسط ترموکوپل تشخیص داده می شود

اصل کار

مواد از انتهای تغذیه به تسمه نقاله مقاوم در برابر دمای بالا که توسط دستگاه پشتیبانی پشتیبانی می شود تغذیه می شوند.

و توسط تسمه توری که توسط موتور محرک کشیده شده و از طریق تعداد واحدهای محاسباتی منفرد رد شده است، داخل کلسینر حرکت کنید.

با توجه به ویژگی های گرمایش مواد، واحدهای مربوطه را برای کنترل مربوطه تقسیم کنید.

هر واحد سیرکولاسیون مستقل شامل فن گردشی مستقل، سیستم گرمایش هوا، کانال هوای گردشی و صفحه راهنمای هوا است.

بخش خنک کننده سیستم گرمایش را تنظیم نمی کند و در هر واحد مستقل شکل می گیرد.

برای کانال گردش هوای گرم نسبتاً مهر و موم شده، هوای گرم در حال گردش از قسمت بالایی تسمه توری به پایین دمیده می شود، از مواد عبور می کند و سپس از پایین تسمه توری به گردش در می آید، هوای گرم به مواد نفوذ می کند، واکنش های فیزیکی و شیمیایی مربوطه فرآیند کلسینه کردن محصول را تکمیل می کند و محصول از انتهای تخلیه خارج می شود.

تجهیزات همچنین می توانند گرم شوند و به طور متناوب با توجه به نیازهای فرآیند کار کنند

کاراکتر جریان
2
ویژگی ها

کلسینه کردن توسط هوا با دمای بالا انجام می شود، قطعه کار یا محصول مواد به دلیل اتخاذ دستگاه توزیع هوای ویژه به طور مساوی گرم می شوند. کیفیت محصول پایدار است.

هر واحد دارای یک گردش هوای گرم مستقل است، اتلاف حرارت کمتری دارد و دما را می توان به طور مستقل کنترل کرد.

گرمایش و سرمایش مرحله ای را اتخاذ کنید، محصول ناگهان گرم یا ناگهانی سرد نمی شود.
برای سیستم گرمایش، منبع حرارتی برای آن می تواند برق، گاز طبیعی، گاز LP و غیره باشد.
کلسینر پیوسته بر کاستی‌های کلسینر دسته‌ای سنتی غلبه می‌کند و به راحتی می‌توان عملیات کلسینه خودکار را انجام داد.
برای تکمیل فرآیند خشک کردن و برشته کردن، می توان آن را با خشک کن متصل کرد.
پارامترهای فنی کلیدی را می توان از قبل روی صفحه کنترل تنظیم کرد. عملکرد خودکار و مداوم، کیفیت محصول پایدار است. می تواند تقاضای تولید صنعتی در مقیاس بزرگ را برآورده کند.
پارامترهای محصول
3
برنامه
خشک کردن و کلسینه کردن کاتالیزورهای از پیش ساخته شده
خشک کردن و کلسینه کردن کاتالیزورهای خودرو
خشک کردن و کلسینه کردن کاتالیزورهای نیتراسیون
1
خانه> محصولات> وکیوم خشک کن جدید> کلسینر کمربند> Gwd-0.6- 12 کلسینر کمربند دمای بالا

تماس

ارسال پرس و جو

ارسال پرس و جو
*
*

ما بلافاصله با شما تماس خواهیم گرفت

اطلاعات بیشتری را پر کنید تا بتواند سریعتر با شما در تماس باشد

بیانیه حفظ حریم خصوصی: حریم خصوصی شما برای ما بسیار مهم است. شرکت ما قول می دهد که اطلاعات شخصی شما را برای هرگونه مجوزهای صریح خود برای هرگونه گسترش فاش نکند.

ارسال