خانه> محصولات> وکیوم خشک کن> کلسینر روتاری سری Hyd در صنعت پتروشیمی
کلسینر روتاری سری Hyd در صنعت پتروشیمی
کلسینر روتاری سری Hyd در صنعت پتروشیمی
کلسینر روتاری سری Hyd در صنعت پتروشیمی
کلسینر روتاری سری Hyd در صنعت پتروشیمی
کلسینر روتاری سری Hyd در صنعت پتروشیمی
کلسینر روتاری سری Hyd در صنعت پتروشیمی
کلسینر روتاری سری Hyd در صنعت پتروشیمی

کلسینر روتاری سری Hyd در صنعت پتروشیمی

Get Latest Price
نوع پرداخت:L/C,T/T
اینکوترم:FOB,EXW
حداقل سفارش:1
حمل و نقل:Ocean,Land,Express
بندر:shanghai
ویژگی های محصول

نام تجاریتلنگ

Originچین

Packaging & Delivery
نوع بسته بندی : بسته استاندارد

The file is encrypted. Please fill in the following information to continue accessing it

توضیحات محصول
Hyd
کلسینه کردن یک فرآیند عملیات حرارتی است که شامل حرارت دادن جامدات غیرآلی غیر فلزی (مانند مواد معدنی و پودرهای سرامیکی) در زیر نقطه ذوب آنها برای القای تجزیه حرارتی، تبدیل فاز یا حذف اجزای فرار (از جمله آب متصل به شیمیایی) است. خشک کن خلاء دوار.
دمای کلسیناسیون معمولی از 800 درجه سانتیگراد تا 1300 درجه سانتیگراد متغیر است. مهندسان سرامیک به طور دقیق پارامترهای فرآیند تکلیس را تعریف می کنند که ممکن است شامل پروفیل های دمایی کاملاً کنترل شده برای مراحل گرمایش و سرمایش و همچنین تحمل های شدید باشد. خشک کن خلاء
Hyd
یک مثال کلاسیک از کلسینه کردن، حرارت دادن سنگ آهک خرد شده برای تولید آهک زنده، جزء کلیدی سیمان و بتن است. این فرآیند از زمان امپراتوری روم و احتمالاً قبل از آن شناخته شده است. خشک کن انجمادی خلاء
به طور کلی، کلسینه کردن برای تهیه مواد خام (به تنهایی یا در مخلوط) برای پردازش بعدی یا بازیابی مواد پایه از ضایعات فرآیندهای بعدی استفاده می شود. کلسینه کردن معمولاً یک مرحله حیاتی است.
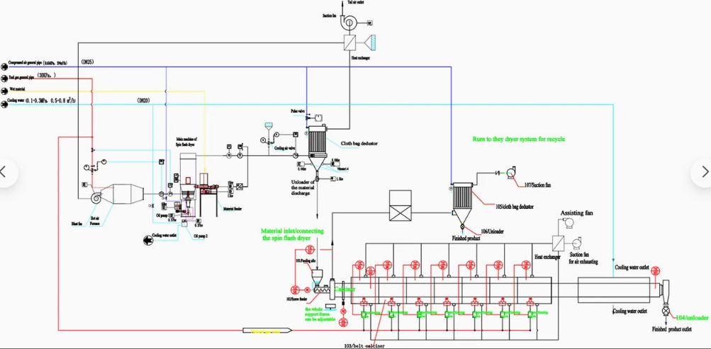
کوره کلسینینگ چرخشی وسیله ای است که برای گرم کردن مواد پودری یا دانه ای در دمای بالا استفاده می شود. خشک کن خلاء
این عمدتا برای تجزیه در اثر حرارت، تبدیل کریستال، اکسیداسیون و فعال سازی مواد استفاده می شود. خشک کردن خلاء مایکروویو
به طور گسترده ای در فرآیندهای تولید مواد خاص در صنایعی مانند پتروشیمی، مواد شیمیایی معدنی، متالورژی و ساخت و ساز استفاده می شود.
یک کوره کلسینینگ دوار معمولاً از یک سیلندر کوره کلسینه، یک سیستم گرمایش، یک سیستم حفظ حرارت و یک سیستم کنترل تغذیه و تخلیه تشکیل شده است.
بسته به منبع حرارتی مورد استفاده، این تجهیزات را می توان به کوره های کلسینه گاز سوز و کوره های کلسینه گرم شونده الکتریکی تقسیم کرد. خشک کن خلاء چرخشی.
هنگامی که دمای سیلندر کوره کلسینه به دمای فرآیند مورد نیاز رسید، ماده ای که قرار است کلسینه شود از طریق سیستم تغذیه به سیلندر کوره کلسینه وارد می شود.
سیستم گرمایش از گرمایش تابشی الکتریکی یا گرمایش مشعل استفاده می کند و دمای کار هر ناحیه از کوره کلسینه با تنظیم توان گرمایش الکتریکی یا قدرت مشعل حفظ می شود.
محفظه کوره دارای زاویه شیب خاصی است که به مواد اجازه می دهد به آرامی به جلو حرکت کرده و در طول چرخش آهسته کلسینه شوند.
با تنظیم توان گرمایش الکتریکی یا قدرت مشعل، زمان ماندن مواد در محفظه کوره کلسینه را می توان کنترل کرد و در نتیجه دمای کار هر ناحیه از کوره کلسینه را حفظ کرد.
ساختار و ویژگی ها
مزایای ما
2
ویژگی های محصول
منبع گرما می تواند برق، گاز، نفت کوره و غیره باشد.
دمای کلسیناسیون با تنظیم منطقه، کنترل خودکار.
زمان کلسیناسیون را می توان با استفاده از سرعت چرخش، شیب و وسایل دیگر تنظیم کرد.
برای انتخاب اشکال مختلف صفحه بیل برای کلسیناسیون کلین با توجه به منحنی فرآیند کلسیناسیون و ویژگی های مواد
با دستگاه حفاظت از قطع برق غیرمنتظره
درجه بالای اتوماسیون، شدت کم عملیات، محیط عملیاتی خوب؛
عملکرد آب بندی خوب عایق حرارتی و اتلاف حرارتی کم؛
ساختار محکم، بادوام، عملیات مداوم طولانی مدت؛
تعمیر و نگهداری آسان و راحت
عملکرد مداوم، آسان برای اتصال با تجهیزات بالادست و پایین دست.
دمای کار از 350 تا 1050 درجه سانتیگراد است.
خصوصیات
این تجهیزات ساختار فشرده و اثر آب بندی خوبی دارد که از دست دادن مواد و اتلاف حرارت را کاهش می دهد.
کنترل خودکار دما، تنظیم تقسیم بندی، هشدار دمای بیش از حد، عمر طولانی پوشش کوره، توزیع یکنواخت دمای دیوار در هر منطقه، دقت کنترل دما ≤ ± 5 درجه سانتیگراد.
احتراق گاز کافی است، راندمان انتقال حرارت بالا است، عملکرد حفظ حرارت خوب است و افزایش دمای سطح تجهیزات از 50 درجه سانتیگراد تجاوز نمی کند.
راندمان حرارتی مشعل > 99 درصد، راندمان حرارتی تک پاس کلین کلسینر بیش از 41 درصد است، شعله مشعل ستونی یا مسطح، مستقیم و قدرتمند است.
غلظت NOx اگزوز سیستم احتراق بیشتر از 100 میلی گرم در نیوتن متر مکعب نیست.
Hyd
مواد قابل اجرا
کوره دوار را می توان با توجه به مواد مختلف پردازش به کوره سیمان، کوره شیمیایی متالورژی و کوره آهک تقسیم کرد.
این با موفقیت در برشته کردن کاتالیزورهای غربال مولکولی و کاتالیزورهای ترک کاتالیستی، ماسه های نفتی، خاکستر بادی، آلومینا، سنگ معدن کروم، پودر سنگ معدن کروم، کلینکر سیمان، آهک فعال و دولومیت سبک سوخته استفاده شده است.
HydHyd
پارامترهای محصول
1
خانه> محصولات> وکیوم خشک کن> کلسینر روتاری سری Hyd در صنعت پتروشیمی

تماس

ارسال پرس و جو

ارسال پرس و جو
*
*

ما بلافاصله با شما تماس خواهیم گرفت

اطلاعات بیشتری را پر کنید تا بتواند سریعتر با شما در تماس باشد

بیانیه حفظ حریم خصوصی: حریم خصوصی شما برای ما بسیار مهم است. شرکت ما قول می دهد که اطلاعات شخصی شما را برای هرگونه مجوزهای صریح خود برای هرگونه گسترش فاش نکند.

ارسال